WikiCiencia - Electrónica y Electricidad - Circuitos y montajes - Conversor estático de tensión CC-CC

Firenox
PRINCIPALELECTRONICAINFORMATICATECNOLOGIANOTICIASDESTACADOS
 

Conversor estático de tensión CC-CC


Si le resulta útil el contenido de este portal, por favor considere visitar el sitio de Missing Children. Ayude a encontrar a chicos perdidos, chicos que buscan a su familia o chicos que ya son mayores pero su búsqueda continúa. Muchas gracias.

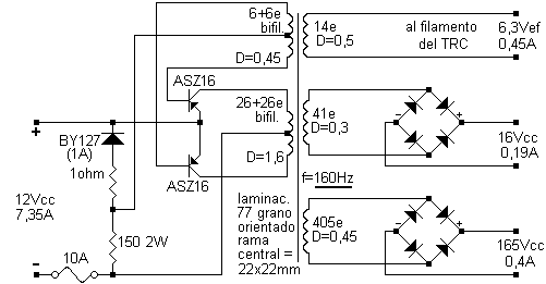
Este conversor CC-CC nos permite, entre otras utilidades, proveer tensiones a un TV blanco y negro.

Utiliza los mismos electrolíticos de la fuente original de TV.

Transistores de germanio: no debería ser problema usar silicio y dar vuelta las polaridades, experimentando con el resistor de 150.

Diodos de las bases: están bien dibujados.

Núcleo: DEBE ser de bajas pérdidas porque su excursión de flujo llega a la saturación.

Verificar en los colectores:

- Ausencia de oscilaciones de alta frecuencia.

- Ausencia de picos peligrosos.

Enviado por: Ing. Daniel Ricardo Pérez

 

WikiCiencia - Creative Commons 2000-2015 - Algunos derechos reservados - Términos y Condiciones

Firenox